Наша группа Вконтакте vk.com/4ertimcom
Молотковая дробилка
Описание:
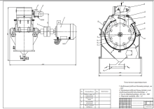
Техническая схема молотковой дробилки.
1. Наибольший рабочий диаметр ротора, мм - 340 2. Отношение рабочей длины ротора к его
наибольшему рабочему диаметру - 2 3. Число оборотов ротора, об/мин - 900 4. Мощность привода, кВт - 45
Автор: Desu1
- Устройства
- Autocad
- Войдите или зарегистрируйтесь, чтобы отправлять комментарии
Чертежи бесплатно
Комментарии
Анастасия Кобина
пн, 07/14/2025 - 09:11
дробилка