Перейти к основному содержанию
Зарегистрируйтесь
или
Войдите
Форма поиска
Поиск
Чертежи бесплатно
Новые 100 файлов
покупка баллов
Вы здесь
Главная
Категории
Автомобили
Детали
Здания и помещения
Инструмент
Кораблестроение
Мебель
Разное
Редуктора
Сборочные узлы
Станки и приспособления
Телефоны
Технологические наладки
Устройства
Электрические схемы
Категория книги
Учебники по CAD
Учебники по векторной графике
ГОСТ
ГОСТ 1-999
ГОСТ 1000-1999
ГОСТ 2001-3000
ГОСТ 3001-4000
ГОСТ 4001-5000
ГОСТ 5001-6000
ГОСТ 6001-10000
ГОСТ 10001-15000
ГОСТ 12.x.xxx
ГОСТ 15000-15999
ГОСТ 16000-20000
ГОСТ 20000-24999
ГОСТ 25001-30000
ГОСТ 30000-39999
ГОСТ 50000-54999
ГОСТ 60000-69999
Отсортировать
Наша группа Вконтакте
vk.com/4ertimcom
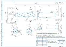
Сверло спиральное D28
Скачать чертеж
Описание:
чертеж выполнен в программе Компас V17.
Автор:
Falkor_CAHEK
Инструмент
Компас
Войдите
или
зарегистрируйтесь
, чтобы отправлять комментарии
Комментарии
Falkor_CAHEK
пн, 06/10/2019 - 11:34
Сверло спиральное
Сверло спиральное
Войдите
или
зарегистрируйтесь
, чтобы отправлять комментарии
Комментарии
Falkor_CAHEK
пн, 06/10/2019 - 11:34
Сверло спиральное