Наша группа Вконтакте vk.com/4ertimcom

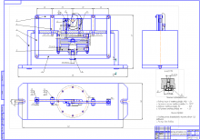
Приспособление для фрезировки лиски

проекты Скачать чертеж
Описание: 
Приспособление для фрезировки лиски

Комментарии

Приспособление для фрезировки лиски

Приспособление для фрезировки лиски