Наша группа Вконтакте vk.com/4ertimcom

ГОСТ 6001-10000

ГОСТ 9201-90

E-mail автора: 

Сита барабанные полигональные. Технические требования

Обозначение: ГОСТ 9201-90
Статус: действующий
Название рус.: Сита барабанные полигональные. Технические требования
Название англ.: Rotory polygonal screen. Technical requirement
Дата актуализации текста: 19.06.2012
Дата актуализации описания: 19.06.2012
Дата введения в действие: 01.07.1991
Область и условия применения: Настоящий стандарт распространяется на барабанные полигональные сита, предназначенные для просеивания отработанных формовочных песков в литейном производстве
Взамен: ГОСТ 9201-72


ГОСТ 9201-90
ГОСТ 9201-90
ГОСТ 9201-90
ГОСТ 9201-90
ГОСТ 9201-90
ГОСТ 9201-90
ГОСТ 9201-90
Автор: 
Домашняя страница автора: 

ГОСТ 9806-90

E-mail автора: 

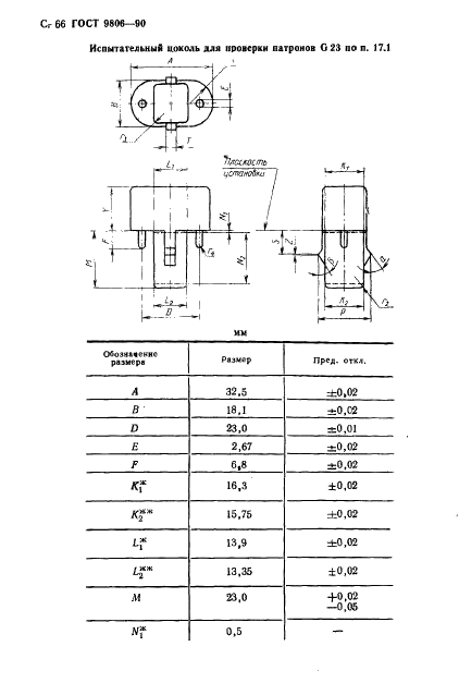
Патроны для трубчатых люминесцентных ламп и стартеров. Общие технические условия

Обозначение: ГОСТ 9806-90
Статус: действующий
Название рус.: Патроны для трубчатых люминесцентных ламп и стартеров. Общие технические условия
Название англ.: Lamp-holders for tubular fluorescent lamps and starter-holders. General specifications
Дата актуализации текста: 19.06.2012
Дата актуализации описания: 19.06.2012
Дата введения в действие: 01.01.1993
Область и условия применения: Настоящий стандарт устанавливает размеры и технические требования к патронам для трубчатых люминесцентных ламп и стартеров, а также методы испытаний, которые должны быть использованы для оценки безопасности применения и правильности установки ламп и стартеров в соответствующие патроны.
Стандарт распространяется на независимые и встраиваемые патроны для трубчатых люминесцентных ламп с цоколями G5, G13, 2G 13, G20, G23, G10g, Fa 6, Fa 8 и R 17d, а также независимые и встраиваемые патроны для стартеров, предназначенные для включения в сеть переменного тока с действующим значением напряжения не более 1000 В
Взамен в части: ГОСТ 361-85 в части требований к патронам для люминесцентных ламп и стартеров


ГОСТ 9806-90
ГОСТ 9806-90
ГОСТ 9806-90
ГОСТ 9806-90
ГОСТ 9806-90
ГОСТ 9806-90
ГОСТ 9806-90
ГОСТ 9806-90
ГОСТ 9806-90
ГОСТ 9806-90
ГОСТ 9806-90
ГОСТ 9806-90
ГОСТ 9806-90
ГОСТ 9806-90
ГОСТ 9806-90
ГОСТ 9806-90
ГОСТ 9806-90
ГОСТ 9806-90
ГОСТ 9806-90
ГОСТ 9806-90
ГОСТ 9806-90
ГОСТ 9806-90
ГОСТ 9806-90
ГОСТ 9806-90
ГОСТ 9806-90
ГОСТ 9806-90
ГОСТ 9806-90
ГОСТ 9806-90
ГОСТ 9806-90
ГОСТ 9806-90
ГОСТ 9806-90
ГОСТ 9806-90
ГОСТ 9806-90
ГОСТ 9806-90
ГОСТ 9806-90
ГОСТ 9806-90
ГОСТ 9806-90
ГОСТ 9806-90
ГОСТ 9806-90
ГОСТ 9806-90
ГОСТ 9806-90
ГОСТ 9806-90
ГОСТ 9806-90
ГОСТ 9806-90
ГОСТ 9806-90
ГОСТ 9806-90
ГОСТ 9806-90
ГОСТ 9806-90
ГОСТ 9806-90
ГОСТ 9806-90
ГОСТ 9806-90
ГОСТ 9806-90
ГОСТ 9806-90
ГОСТ 9806-90
ГОСТ 9806-90
ГОСТ 9806-90
ГОСТ 9806-90
ГОСТ 9806-90
ГОСТ 9806-90
ГОСТ 9806-90
ГОСТ 9806-90
ГОСТ 9806-90
ГОСТ 9806-90
ГОСТ 9806-90
ГОСТ 9806-90
ГОСТ 9806-90
ГОСТ 9806-90
ГОСТ 9806-90
ГОСТ 9806-90
ГОСТ 9806-90
ГОСТ 9806-90
ГОСТ 9806-90
ГОСТ 9806-90
ГОСТ 9806-90
ГОСТ 9806-90
ГОСТ 9806-90
ГОСТ 9806-90
ГОСТ 9806-90
ГОСТ 9806-90
ГОСТ 9806-90
ГОСТ 9806-90
ГОСТ 9806-90
ГОСТ 9806-90
ГОСТ 9806-90
ГОСТ 9806-90
ГОСТ 9806-90
ГОСТ 9806-90
ГОСТ 9806-90
ГОСТ 9806-90
ГОСТ 9806-90
ГОСТ 9806-90
ГОСТ 9806-90
ГОСТ 9806-90
ГОСТ 9806-90
ГОСТ 9806-90
ГОСТ 9806-90
ГОСТ 9806-90
ГОСТ 9806-90
ГОСТ 9806-90
ГОСТ 9806-90
ГОСТ 9806-90
ГОСТ 9806-90
ГОСТ 9806-90
ГОСТ 9806-90
ГОСТ 9806-90
ГОСТ 9806-90
ГОСТ 9806-90
ГОСТ 9806-90
ГОСТ 9806-90
ГОСТ 9806-90
ГОСТ 9806-90
ГОСТ 9806-90
ГОСТ 9806-90
ГОСТ 9806-90
ГОСТ 9806-90
ГОСТ 9806-90
ГОСТ 9806-90
ГОСТ 9806-90
ГОСТ 9806-90
ГОСТ 9806-90
ГОСТ 9806-90
ГОСТ 9806-90
ГОСТ 9806-90
ГОСТ 9806-90
ГОСТ 9806-90
ГОСТ 9806-90
ГОСТ 9806-90
ГОСТ 9806-90
ГОСТ 9806-90
ГОСТ 9806-90
ГОСТ 9806-90
ГОСТ 9806-90
ГОСТ 9806-90
ГОСТ 9806-90
ГОСТ 9806-90
ГОСТ 9806-90
ГОСТ 9806-90
ГОСТ 9806-90
ГОСТ 9806-90
ГОСТ 9806-90
ГОСТ 9806-90
ГОСТ 9806-90
ГОСТ 9806-90
ГОСТ 9806-90
ГОСТ 9806-90
Автор: 
Домашняя страница автора: 

ГОСТ 6507-90

E-mail автора: 

Микрометры. Технические условия

Обозначение: ГОСТ 6507-90
Статус: действующий
Название рус.: Микрометры. Технические условия
Название англ.: Micrometers. Specifications
Дата актуализации текста: 19.06.2012
Дата актуализации описания: 19.06.2012
Дата введения в действие: 01.01.1991
Область и условия применения: Настоящий стандарт распространяется на микрометры с ценой деления 0,01 и 0,001 мм
Взамен: ГОСТ 6507-78
Список изменений: №1 от 01.07.1993 (рег. 12.10.1992) «Срок действия продлен»


ГОСТ 6507-90
ГОСТ 6507-90
ГОСТ 6507-90
ГОСТ 6507-90
ГОСТ 6507-90
ГОСТ 6507-90
ГОСТ 6507-90
ГОСТ 6507-90
ГОСТ 6507-90
ГОСТ 6507-90
ГОСТ 6507-90
ГОСТ 6507-90
Автор: 
Домашняя страница автора: 

ГОСТ 7062-90

E-mail автора: 

Поковки из углеродистой и легированной стали, изготовляемые ковкой на прессах. Припуски и допуски

Обозначение: ГОСТ 7062-90
Статус: действующий
Название рус.: Поковки из углеродистой и легированной стали, изготовляемые ковкой на прессах. Припуски и допуски
Название англ.: Carbon and alloyed steel forgings fabricated by press forging. Allowances and tolerances
Дата актуализации текста: 19.06.2012
Дата актуализации описания: 19.06.2012
Дата введения в действие: 01.01.1992
Область и условия применения: Настоящий стандарт распространяется на поковки общего назначения массой до 130 т из углеродистой и легированной стали (суммарное содержание легирующих элементов до 10%, кроме углерода), изготовляемые ковкой на прессах, и устанавливает величину припусков на механическую обработку, допусков на номинальные размеры поковок, величину напусков для поковок.
Стандарт не распространяется на поковки из высоколегированной стали и сплавов с особыми физическими свойствами: из слитков, отлитых в вакууме, изготовленных из металла ВДП и ЭШП; из инструментальных сталей с содержанием углерода более 0,55% или легирующих элементов более 5%, а также из сталей, предназначенных для изготовления валков холодной прокатки
Взамен: ГОСТ 7062-79


ГОСТ 7062-90
ГОСТ 7062-90
ГОСТ 7062-90
ГОСТ 7062-90
ГОСТ 7062-90
ГОСТ 7062-90
ГОСТ 7062-90
ГОСТ 7062-90
ГОСТ 7062-90
ГОСТ 7062-90
ГОСТ 7062-90
ГОСТ 7062-90
ГОСТ 7062-90
ГОСТ 7062-90
ГОСТ 7062-90
ГОСТ 7062-90
ГОСТ 7062-90
ГОСТ 7062-90
ГОСТ 7062-90
ГОСТ 7062-90
ГОСТ 7062-90
ГОСТ 7062-90
ГОСТ 7062-90
ГОСТ 7062-90
ГОСТ 7062-90
ГОСТ 7062-90
ГОСТ 7062-90
ГОСТ 7062-90
ГОСТ 7062-90
ГОСТ 7062-90
ГОСТ 7062-90
Автор: 
Домашняя страница автора: 

ГОСТ 7419-90

E-mail автора: 

Прокат стальной горячекатаный для рессор. Сортамент

Обозначение: ГОСТ 7419-90
Статус: действующий
Название рус.: Прокат стальной горячекатаный для рессор. Сортамент
Название англ.: Steel hot-rolled products for springs. Range
Дата актуализации текста: 19.06.2012
Дата актуализации описания: 19.06.2012
Дата введения в действие: 01.01.1992
Область и условия применения: Настоящий стандарт распространяется на горячекатаный полосовой, трапециевидно-ступенчатый, Т-образный, трапециевидный и желобчатый прокат для рессор
Взамен: ГОСТ 7419.0-78 ГОСТ 7419.1-78 ГОСТ 7419.2-78 ГОСТ 7419.3-78 ГОСТ 7419.4-78 ГОСТ 7419.5-78 ГОСТ 7419.6-78 ГОСТ 7419.7-78 ГОСТ 7419.8-78


ГОСТ 7419-90
ГОСТ 7419-90
ГОСТ 7419-90
ГОСТ 7419-90
ГОСТ 7419-90
ГОСТ 7419-90
ГОСТ 7419-90
ГОСТ 7419-90
ГОСТ 7419-90
ГОСТ 7419-90
Автор: 
Домашняя страница автора: 

ГОСТ 9163-90

E-mail автора: 

Консервы мясные и мясорастительные "Сосиски". Технические условия

Обозначение: ГОСТ 9163-90
Статус: действующий
Название рус.: Консервы мясные и мясорастительные "Сосиски". Технические условия
Название англ.: Canned meat "Sausages". Specifications
Дата актуализации текста: 19.06.2012
Дата актуализации описания: 19.06.2012
Дата введения в действие: 01.01.1992
Область и условия применения: Настоящий стандарт распространяется на мясные и мясорастительные консервы, выработанные из сосисок с добавлением жира или рассола или капусты
Взамен: ГОСТ 9163-59
Список изменений: №0 от 01.01.2011 (рег. 15.12.2009) «Поправка к изменению»


ГОСТ 9163-90
ГОСТ 9163-90
ГОСТ 9163-90
ГОСТ 9163-90
Автор: 
Домашняя страница автора: 

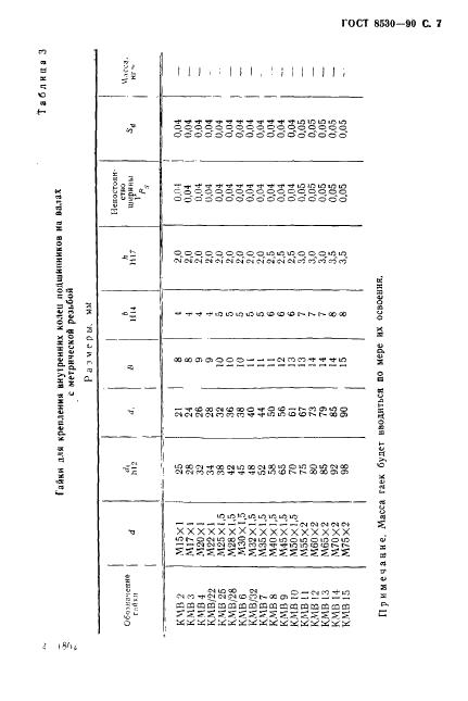
ГОСТ 8530-90

E-mail автора: 

Подшипники качения. Гайки, шайбы и скобы для закрепительных и стяжных втулок. Технические условия

Обозначение: ГОСТ 8530-90
Статус: действующий
Название рус.: Подшипники качения. Гайки, шайбы и скобы для закрепительных и стяжных втулок. Технические условия
Название англ.: Rolling bearings. Locknuts, washers and cramps for tapered adaptive and withdrawal sleeves. Specifications
Дата актуализации текста: 19.06.2012
Дата актуализации описания: 19.06.2012
Дата введения в действие: 01.07.1991
Область и условия применения: Настоящий стандарт распространяется на круглые шлицевые гайки, применяемые на точеных закрепительных и стяжных втулках, на гайки для крепления внутренних колец подшипников на валах и на стопорные шайбы и скобы для стопорения гаек на закрепительных точеных втулках по ГОСТ 24208 при креплении подшипников качения на указанных втулках
Взамен: ГОСТ 8530-83 ГОСТ 8725-83


ГОСТ 8530-90
ГОСТ 8530-90
ГОСТ 8530-90
ГОСТ 8530-90
ГОСТ 8530-90
ГОСТ 8530-90
ГОСТ 8530-90
ГОСТ 8530-90
ГОСТ 8530-90
ГОСТ 8530-90
ГОСТ 8530-90
ГОСТ 8530-90
ГОСТ 8530-90
ГОСТ 8530-90
ГОСТ 8530-90
ГОСТ 8530-90
ГОСТ 8530-90
ГОСТ 8530-90
ГОСТ 8530-90
ГОСТ 8530-90
ГОСТ 8530-90
ГОСТ 8530-90
ГОСТ 8530-90
ГОСТ 8530-90
ГОСТ 8530-90
ГОСТ 8530-90
ГОСТ 8530-90
ГОСТ 8530-90
ГОСТ 8530-90
ГОСТ 8530-90
ГОСТ 8530-90
Автор: 
Домашняя страница автора: 

ГОСТ 8799-90

E-mail автора: 

Стартеры для трубчатых люминесцентных ламп. Технические условия

Обозначение: ГОСТ 8799-90
Статус: действующий
Название рус.: Стартеры для трубчатых люминесцентных ламп. Технические условия
Название англ.: Starters for tubular fluorescent lamps. Specifications
Дата актуализации текста: 19.06.2012
Дата актуализации описания: 19.06.2012
Дата введения в действие: 01.01.1992
Область и условия применения: Настоящий стандарт распространяется на стартеры для трубчатых люминесцентных ламп предварительного подогрева
Взамен: ГОСТ 8799-75


ГОСТ 8799-90
ГОСТ 8799-90
ГОСТ 8799-90
ГОСТ 8799-90
ГОСТ 8799-90
ГОСТ 8799-90
ГОСТ 8799-90
ГОСТ 8799-90
ГОСТ 8799-90
ГОСТ 8799-90
ГОСТ 8799-90
ГОСТ 8799-90
ГОСТ 8799-90
ГОСТ 8799-90
ГОСТ 8799-90
ГОСТ 8799-90
ГОСТ 8799-90
ГОСТ 8799-90
ГОСТ 8799-90
ГОСТ 8799-90
Автор: 
Домашняя страница автора: 

ГОСТ 9913-90

E-mail автора: 

Материалы тестильные. Методы определения стойкости к истиранию

Обозначение: ГОСТ 9913-90
Статус: действующий
Название рус.: Материалы тестильные. Методы определения стойкости к истиранию
Название англ.: Textile materials. Methods of determination of wear resistance
Дата актуализации текста: 19.06.2012
Дата актуализации описания: 19.06.2012
Дата введения в действие: 01.07.1991
Область и условия применения: Настоящий стандарт распространяется на готовые чистошерстяные и полушерстяные ткани и одеяла, нетканые полотна различных способов производства из волокон всех видов и устанавливает методы определения стойкости к:
истиранию до разрушения (образования дыры);
истиранию до оголения каркасной сетки;
истиранию до оголения каркаса;
истиранию воска;
закатыванию ворса;
закатыванию ворса до образования косиц (для одеял);
пиллингообразованию
Взамен: ГОСТ 9913-85 ГОСТ 24945-81


ГОСТ 9913-90
ГОСТ 9913-90
ГОСТ 9913-90
ГОСТ 9913-90
ГОСТ 9913-90
ГОСТ 9913-90
ГОСТ 9913-90
ГОСТ 9913-90
ГОСТ 9913-90
ГОСТ 9913-90
ГОСТ 9913-90
ГОСТ 9913-90
Автор: 
Домашняя страница автора: 

ГОСТ 9472-90

E-mail автора: 

Крепление инструментов на оправках. Типы и размеры

Обозначение: ГОСТ 9472-90
Статус: действующий
Название рус.: Крепление инструментов на оправках. Типы и размеры
Название англ.: Tool holding on arbors. Types and dimensions
Дата актуализации текста: 19.06.2012
Дата актуализации описания: 19.06.2012
Дата введения в действие: 01.07.1991
Область и условия применения: Настоящий стандарт устанавливает типы и размеры креплений металло- и дереворежущего инструмента на оправках
Взамен: ГОСТ 9472-83


ГОСТ 9472-90
ГОСТ 9472-90
ГОСТ 9472-90
ГОСТ 9472-90
ГОСТ 9472-90
ГОСТ 9472-90
ГОСТ 9472-90
ГОСТ 9472-90
ГОСТ 9472-90
ГОСТ 9472-90
ГОСТ 9472-90
ГОСТ 9472-90
ГОСТ 9472-90
ГОСТ 9472-90
ГОСТ 9472-90
Автор: 
Домашняя страница автора: 

Страницы