Наша группа Вконтакте vk.com/4ertimcom
ГОСТ 13119-81
E-mail автора:
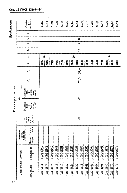
Штампы для листовой штамповки. Колонки направляющие ступенчатые. Конструкция и размеры
| Обозначение: | ГОСТ 13119-81 |
| Статус: | действующий |
| Название рус.: | Штампы для листовой штамповки. Колонки направляющие ступенчатые. Конструкция и размеры |
| Название англ.: | Die posta with flute for cold plastic working dies. Construction and dimensions |
| Дата актуализации текста: | 19.06.2012 |
| Дата актуализации описания: | 19.06.2012 |
| Дата введения в действие: | 01.01.1982 |
| Область и условия применения: | Настоящий стандарт распространяется на направляющие ступенчатые колонки, применяемые в направляющих узлах штампов и устанавливаемые по системе отверстия |
| Взамен: | ГОСТ 13119-75 |
| Список изменений: | №1 от 01.01.1987 (рег. 26.03.1986) «Срок действия продлен» |



































Автор:
Домашняя страница автора:
Чертежи бесплатно