Наша группа Вконтакте vk.com/4ertimcom
ГОСТ Р 53664-2009
E-mail автора:
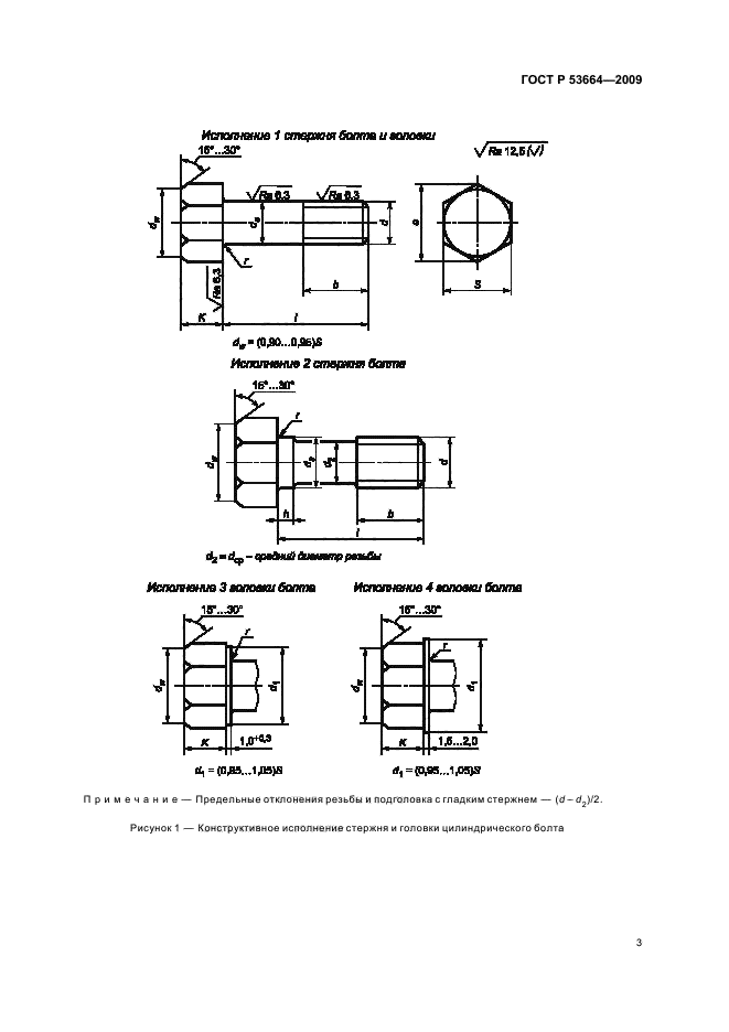
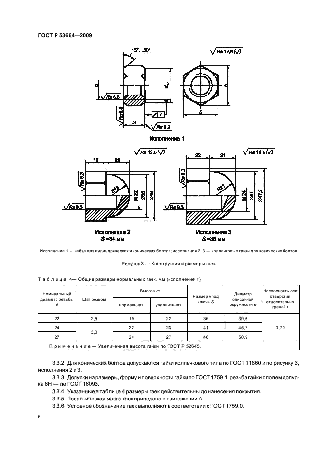
Болты высокопрочные цилиндрические и конические для мостостроения, гайки и шайбы к ним. Технические условия
| Обозначение: | ГОСТ Р 53664-2009 | ||
| Статус: | действующий | ||
| Название рус.: | Болты высокопрочные цилиндрические и конические для мостостроения, гайки и шайбы к ним. Технические условия | ||
| Название англ.: | High-strength cheese-head and conical bolts for bridge building. Nuts and washers for them. Specifications | ||
| Дата актуализации текста: | 19.06.2012 | ||
| Дата актуализации описания: | 19.06.2012 | ||
| Дата введения в действие: | 01.01.2011 | ||
| Область и условия применения: | Настоящий стандарт распространяется на высокопрочные цилиндрические болты с шестигранной головкой и конические болты с полукруглой головкой, высокопрочные шестигранные гайки с увеличенным размером под ключ и шайбы к высокопрочным болтам, предназначенные для использования в металлических конструкциях мостов, сооружаемых и эксплуатируемых в макроклиматических районах с умеренным (У) и холодным (ХЛ) климатом с расчетной температурой до минус 40 °С и минус 60 °С соответственно категории размещения 1 по ГОСТ 15150 | ||




















Автор:
Домашняя страница автора:
Чертежи бесплатно