Наша группа Вконтакте vk.com/4ertimcom
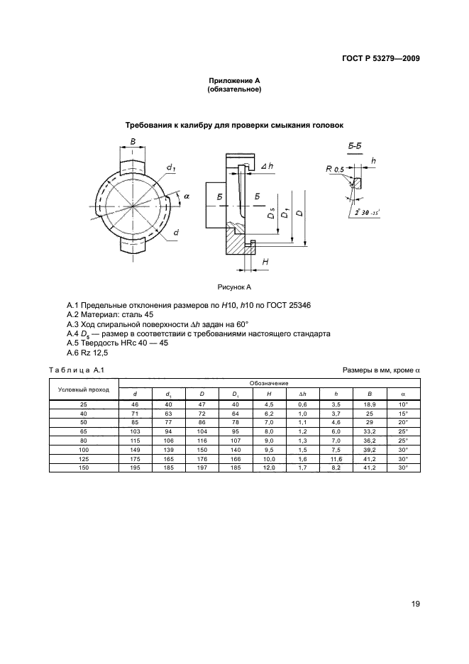
ГОСТ Р 53279-2009
E-mail автора:
Техника пожарная. Головки соединительные пожарные. Общие технические требования. Методы испытаний
| Обозначение: | ГОСТ Р 53279-2009 | ||
| Статус: | действующий | ||
| Название рус.: | Техника пожарная. Головки соединительные пожарные. Общие технические требования. Методы испытаний | ||
| Название англ.: | Fire equipment. Fire connecting heads. General technical requirements. Methods of testing | ||
| Дата актуализации текста: | 19.06.2012 | ||
| Дата актуализации описания: | 19.06.2012 | ||
| Дата введения в действие: | 01.05.2009 | ||
| Область и условия применения: | Настоящий стандарт распространяется на пожарные соединительные головки, которые применяются для оборудования технических средств, предназначенных для транспортирования огнетушащих веществ по коммуникациям пожаротушения | ||























Автор:
Домашняя страница автора:
Чертежи бесплатно