Наша группа Вконтакте vk.com/4ertimcom
ГОСТ 18678-73
E-mail автора:
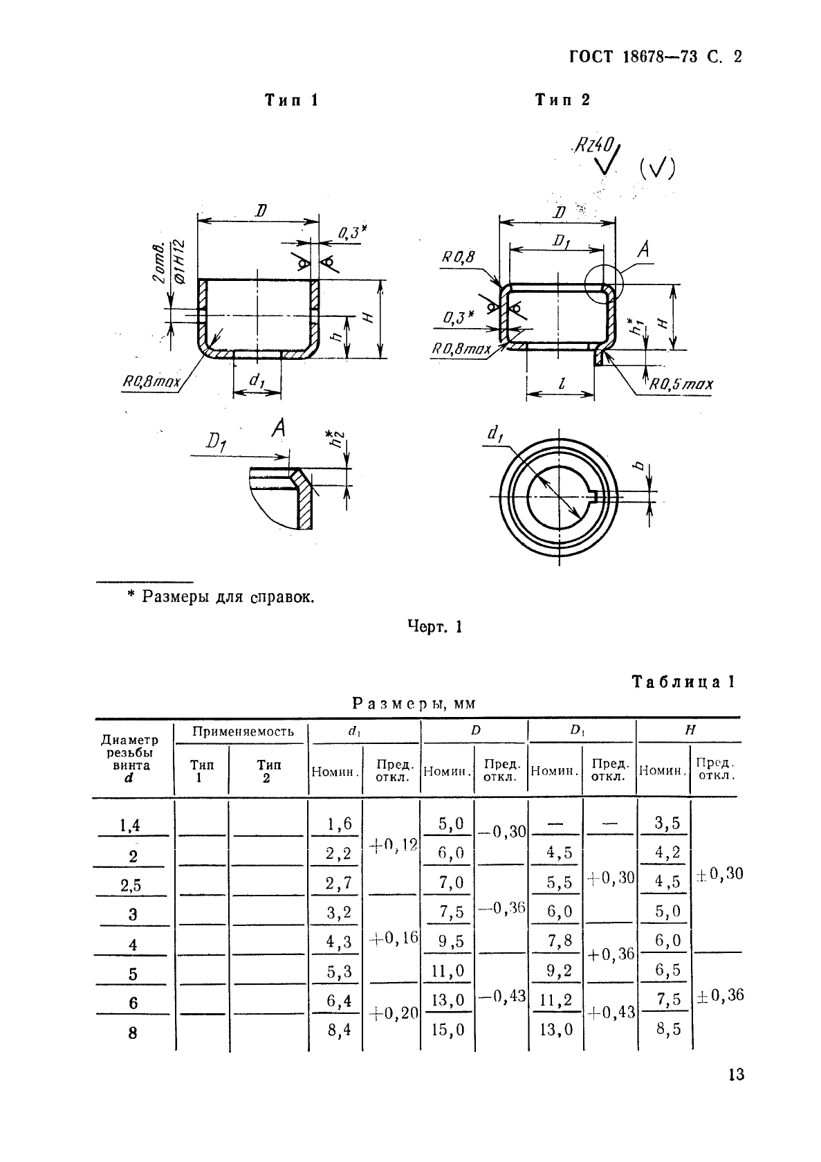
Чашки пломбировочные. Конструкция и размеры
| Обозначение: | ГОСТ 18678-73 | ||
| Статус: | действующий | ||
| Название рус.: | Чашки пломбировочные. Конструкция и размеры | ||
| Название англ.: | Sealing cups. Design and dimensions | ||
| Дата актуализации текста: | 19.06.2012 | ||
| Дата актуализации описания: | 19.06.2012 | ||
| Дата введения в действие: | 01.01.1974 | ||
| Область и условия применения: | Настоящий стандарт распространяется на пломбировочные чашки, предназначенные для пломбирования мастикой изделий и их составных частей | ||
| Список изменений: | №1 от 01.11.1977 (рег. 14.09.1977) «Срок действия продлен» №2 от 01.07.1979 (рег. 16.02.1979) «Срок действия продлен» №3 от 01.09.1981 (рег. 26.03.1981) «Срок действия продлен» №4 от 01.08.1983 (рег. 28.01.1983) «Срок действия продлен» №5 от 01.01.1989 (рег. 14.03.1988) «Срок действия продлен» №6 от 01.01.2002 (рег. 08.08.2001) «Срок действия продлен» |
||
| Приложение №1: | Изменение №6 к ГОСТ 18678-73 | ||









Изменение №6 к ГОСТ 18678-73
| Обозначение: | Изменение №6 к ГОСТ 18678-73 |
| Дата введения в действие: | 01.01.2002 |
| Дата актуализации: | 15.01.2008 |

Автор:
Домашняя страница автора:
Чертежи бесплатно