Наша группа Вконтакте vk.com/4ertimcom
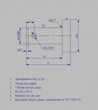
Съёмник подшипника для автомобиля УАЗ
Домашняя страница автора:
Описание:
Выполнен в T-Flex 3d CAD 7242. Сдавался на «отлично» В архив входят такие файлы:
Винт, гайка рычаг, скоба, рукоядка, шплинт - все это в 2D и 3D виде.
Представлены все расчеты, остается только скачать и любоваться профессионально сделанной работой.
Автор: root
- Инструмент
- T-Flex
- Войдите или зарегистрируйтесь, чтобы отправлять комментарии
Чертежи бесплатно