Наша группа Вконтакте vk.com/4ertimcom

ГОСТ 6001-10000

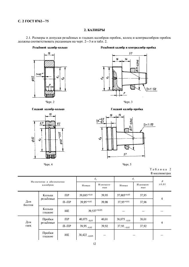
ГОСТ 8762-75

E-mail автора: 

Резьба круглая диаметром 40 мм для противогазов и калибры к ней. Основные размеры

Обозначение: ГОСТ 8762-75
Статус: действующий
Название рус.: Резьба круглая диаметром 40 мм для противогазов и калибры к ней. Основные размеры
Название англ.: Round threading diameter 40 mm for gas-mask with the gauges main dimensions and the tolerances
Дата актуализации текста: 19.06.2012
Дата актуализации описания: 19.06.2012
Дата введения в действие: 01.01.1976
Область и условия применения: Настоящий стандарт распространяется на круглую резьбу диаметром 40 мм для деталей противогазов и устанавливает размеры элементов резьбы, а также размеры калибров для проверки резьбы и контркалибров для контроля калибров
Взамен: ГОСТ 8762-58


ГОСТ 8762-75
ГОСТ 8762-75
ГОСТ 8762-75
ГОСТ 8762-75
Автор: 
Домашняя страница автора: 

ГОСТ 8946-75

E-mail автора: 

Соединительные части из ковкого чугуна с цилиндрической резьбой для трубопроводов. Угольники проходные. Основные размеры

Обозначение: ГОСТ 8946-75
Статус: действующий
Название рус.: Соединительные части из ковкого чугуна с цилиндрической резьбой для трубопроводов. Угольники проходные. Основные размеры
Название англ.: Ductile iron and steel fittings with parallel thread for pipelines. Union passage elbews. Basic dimensions
Дата актуализации текста: 19.06.2012
Дата актуализации описания: 19.06.2012
Дата введения в действие: 01.01.1977
Область и условия применения: Настоящий стандарт распространяется на проходные угольники с углом 90 град. и 45 град. из ковкого чугуна с цилиндрической резьбой для трубопроводов
Взамен: ГОСТ 8946-59
Список изменений: №0 от 22.04.1988 (рег. 22.04.1988) «Срок действия продлен»
№1 от 01.12.1980 (рег. 04.09.1980) «Срок действия продлен»
№2 от 01.01.1984 (рег. 25.03.1983) «Срок действия продлен»


ГОСТ 8946-75
ГОСТ 8946-75
ГОСТ 8946-75
Автор: 
Домашняя страница автора: 

ГОСТ 9803-75

E-mail автора: 

Реактивы. Кислота малеиновая. Технические условия

Обозначение: ГОСТ 9803-75
Статус: действующий
Название рус.: Реактивы. Кислота малеиновая. Технические условия
Название англ.: Reagents. Maleic acid. Specifications
Дата актуализации текста: 19.06.2012
Дата актуализации описания: 19.06.2012
Дата введения в действие: 01.01.1976
Область и условия применения: Настоящий стандарт распространяется на малеиновую кислоту, представляющую собой порошок белого цвета или кристаллы в виде ромбических призм; хорошо растворима в воде и спирте, трудно растворима в эфире и бензоле; горюча
Взамен: ГОСТ 9803-61
Список изменений: №1 от 01.06.1988 (рег. 27.11.1987) «Поправка»


ГОСТ 9803-75
ГОСТ 9803-75
ГОСТ 9803-75
ГОСТ 9803-75
ГОСТ 9803-75
ГОСТ 9803-75
Автор: 
Домашняя страница автора: 

ГОСТ 8589-75

E-mail автора: 

Бумага для оклейки бумажно-беловых товаров и картонажной продукции. Технические условия

Обозначение: ГОСТ 8589-75
Статус: действующий
Название рус.: Бумага для оклейки бумажно-беловых товаров и картонажной продукции. Технические условия
Название англ.: Binding material on the basis of paper for stationary paper goods and cardboard articles. Specifications
Дата актуализации текста: 19.06.2012
Дата актуализации описания: 19.06.2012
Дата введения в действие: 01.01.1977
Область и условия применения: Настоящий стандарт распространяется на бумагу с односторонним цветным покрытием, предназначенную для оклейки бумажно-беловых товаров и картонажной продукции
Взамен: ГОСТ 8589-57
Список изменений: №1 от 01.10.1981 (рег. 29.05.1981) «Срок действия продлен»
№2 от 01.01.1987 (рег. 24.03.1986) «Срок действия продлен»
№3 от 01.09.1988 (рег. 12.04.1988) «Срок действия продлен»
№4 от 01.07.1991 (рег. 26.12.1990) «Срок действия продлен»


ГОСТ 8589-75
ГОСТ 8589-75
ГОСТ 8589-75
ГОСТ 8589-75
ГОСТ 8589-75
ГОСТ 8589-75
ГОСТ 8589-75
ГОСТ 8589-75
ГОСТ 8589-75
Автор: 
Домашняя страница автора: 

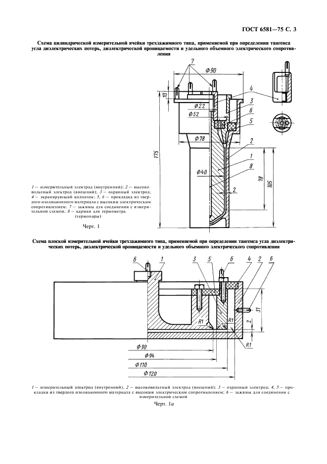
ГОСТ 6581-75

E-mail автора: 

Материалы электроизоляционные жидкие. Методы электрических испытаний

Обозначение: ГОСТ 6581-75
Статус: действующий
Название рус.: Материалы электроизоляционные жидкие. Методы электрических испытаний
Название англ.: Liquid electrical insulating materials. Electric test methods
Дата актуализации текста: 19.06.2012
Дата актуализации описания: 19.06.2012
Дата введения в действие: 01.01.1977
Область и условия применения: Настоящий стандарт распространяется на жидкие электроизоляционные материалы нефтяного или растительного происхождения и синтетические, находящиеся при температуре испытания в текучем состоянии (вязкость менее 5000х10 в ст. минус 6 м кв./с), и устанавливает для этих материалов методы определения следующих характеристик в диапазоне температур 15 - 250 град. С:
- тангенса угла диэлектрических потерь и диэлектрической проницаемости при частоте 50 Гц;
- удельного объемного электрического сопротивления при напряжении постоянного тока;
- пробивного напряжения при частоте 50 ГЦ
Взамен: ГОСТ 6581-66
Список изменений: №1 от 01.01.1983 (рег. 16.02.1982) «Срок действия продлен»
№2 от 01.05.1985 (рег. 03.10.1984) «Срок действия продлен»
№3 от 01.01.1988 (рег. 25.06.1987) «Срок действия продлен»


ГОСТ 6581-75
ГОСТ 6581-75
ГОСТ 6581-75
ГОСТ 6581-75
ГОСТ 6581-75
ГОСТ 6581-75
ГОСТ 6581-75
ГОСТ 6581-75
ГОСТ 6581-75
ГОСТ 6581-75
ГОСТ 6581-75
ГОСТ 6581-75
ГОСТ 6581-75
ГОСТ 6581-75
ГОСТ 6581-75
ГОСТ 6581-75
ГОСТ 6581-75
ГОСТ 6581-75
Автор: 
Домашняя страница автора: 

ГОСТ 7478-75

E-mail автора: 

Графит элементный. Технические условия

Обозначение: ГОСТ 7478-75
Статус: действующий
Название рус.: Графит элементный. Технические условия
Название англ.: Cell graphite Specifications
Дата актуализации текста: 19.06.2012
Дата актуализации описания: 19.06.2012
Дата введения в действие: 01.01.1977
Область и условия применения: Настоящий стандарт распространяется на обогащенный кристаллический естественный графит Завальевского и Тайгинского месторождения, предназначенный для производства первичных химических источников тока
Взамен в части: ГОСТ 7478-57, кроме разд. III, пп. 18 - 19
Список изменений: №1 от 01.07.1981 (рег. 30.12.1980) «Срок действия продлен»
№2 от 01.04.1986 (рег. 08.10.1985) «Срок действия продлен»
№3 от 01.01.1991 (рег. 27.06.1990) «Срок действия продлен»


ГОСТ 7478-75
ГОСТ 7478-75
ГОСТ 7478-75
ГОСТ 7478-75
Автор: 
Домашняя страница автора: 

ГОСТ 7020-75

E-mail автора: 

Машины литейные формовочные встряхивающие. Типы, основные параметры

Обозначение: ГОСТ 7020-75
Статус: действующий
Название рус.: Машины литейные формовочные встряхивающие. Типы, основные параметры
Название англ.: Foundry jolt moulding machines. Types, basic parameters
Дата актуализации текста: 19.06.2012
Дата актуализации описания: 19.06.2012
Дата введения в действие: 01.01.1977
Область и условия применения: Настоящий стандарт распространяется на машины литейные формовочные встряхивающие однопозиционные общего назначения грузоподъемностью до 10 т.
Стандарт не распространяется на машины, входящие в формовочные установки и линии
Взамен: ГОСТ 7020-62
Список изменений: №1 от 01.01.1983 (рег. 09.02.1982) «Срок действия продлен»
№2 от 01.07.1983 (рег. 21.09.1982) «Срок действия продлен»
№3 от 01.01.1988 (рег. 27.04.1987) «Срок действия продлен»
№4 от 01.07.1989 (рег. 24.10.1988) «Срок действия продлен»


ГОСТ 7020-75
ГОСТ 7020-75
ГОСТ 7020-75
ГОСТ 7020-75
Автор: 
Домашняя страница автора: 

ГОСТ 9583-75

E-mail автора: 

Трубы чугунные напорные, изготовленные методами центробежного и полунепрерывного литья. Технические условия

Обозначение: ГОСТ 9583-75
Статус: действующий
Название рус.: Трубы чугунные напорные, изготовленные методами центробежного и полунепрерывного литья. Технические условия
Название англ.: Cast iron pressure pipes made by centrifugal and semicontinuous casting methods. Specifications
Дата актуализации текста: 19.06.2012
Дата актуализации описания: 19.06.2012
Дата введения в действие: 01.01.1977
Область и условия применения: Настоящий стандарт распространяется на чугунные напорные раструбные трубы, предназначенные для водонапорных систем
Взамен: ГОСТ 9583-61
Список изменений: №1 от 01.01.1989 (рег. 29.06.1988) «Поправка»


ГОСТ 9583-75
ГОСТ 9583-75
ГОСТ 9583-75
ГОСТ 9583-75
ГОСТ 9583-75
ГОСТ 9583-75
ГОСТ 9583-75
ГОСТ 9583-75
ГОСТ 9583-75
Автор: 
Домашняя страница автора: 

ГОСТ 9356-75

E-mail автора: 

Рукава резиновые для газовой сварки и резки металлов. Технические условия

Обозначение: ГОСТ 9356-75
Статус: действующий
Название рус.: Рукава резиновые для газовой сварки и резки металлов. Технические условия
Название англ.: Rubber hoses for gas welding and metal cutting. Specifications
Дата актуализации текста: 19.06.2012
Дата актуализации описания: 19.06.2012
Дата введения в действие: 01.01.1977
Область и условия применения: Настоящий стандарт распространяется на резиновые рукава с нитяным каркасом, применяемые для подачи под давлением ацетилена, городского газа, пропана, бутана, жидкого топлива и кислорода к приборам для газовой сварки и резки металлов
Взамен: ГОСТ 9356-60
Список изменений: №1 от 01.09.1978 (рег. 25.05.1978) «Срок действия продлен»
№2 от 01.01.1984 (рег. 28.02.1983) «Срок действия продлен»
№3 от 01.04.1986 (рег. 26.11.1985) «Срок действия продлен»
№4 от 01.01.1989 (рег. 28.06.1988) «Срок действия продлен»


ГОСТ 9356-75
ГОСТ 9356-75
ГОСТ 9356-75
ГОСТ 9356-75
ГОСТ 9356-75
ГОСТ 9356-75
ГОСТ 9356-75
ГОСТ 9356-75
ГОСТ 9356-75
ГОСТ 9356-75
ГОСТ 9356-75
Автор: 
Домашняя страница автора: 

ГОСТ 9003-75

E-mail автора: 

Целлюлоза вискозная. Метод определения реакционной способности к вискозообразованию

Обозначение: ГОСТ 9003-75
Статус: действующий
Название рус.: Целлюлоза вискозная. Метод определения реакционной способности к вискозообразованию
Название англ.: Rayon pulp. Reactivity determination
Дата актуализации текста: 19.06.2012
Дата актуализации описания: 19.06.2012
Дата введения в действие: 01.01.1977
Область и условия применения: Настоящий стандарт распространяется на сульфитную и сульфатную вискозную целлюлозу и устанавливает метод определения реакционной способности к вискозообразованию
Взамен: ГОСТ 9003-59
Список изменений: №1 от 01.01.1985 (рег. 29.06.1984) «Срок действия продлен»
№2 от 01.10.1989 (рег. 30.03.1989) «Срок действия продлен»


ГОСТ 9003-75
ГОСТ 9003-75
ГОСТ 9003-75
ГОСТ 9003-75
ГОСТ 9003-75
ГОСТ 9003-75
ГОСТ 9003-75
Автор: 
Домашняя страница автора: 

Страницы