Наша группа Вконтакте vk.com/4ertimcom
Схема принципиальная ТЭЦ 460 МВт
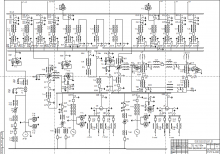
Описание:
На данном чертеже изображена схема электрической части ТЭЦ 460 МВт. Расписаны все приборы и оборудование. Так же присутствует спецификация.
Автор: Манур
- Электрические схемы
- Компас
- Войдите или зарегистрируйтесь, чтобы отправлять комментарии
Чертежи бесплатно