Наша группа Вконтакте vk.com/4ertimcom
Стенд для правки дисков легковых автомобилей
Описание:
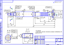
Разработка стенда для правки дисков легковых автомобилей. Имеется общий вид, сборочный чертёж станины и ступицы стенда, спецификации к ним + деталировка.
Автор: Shelan
- Автомобили
- Компас
- Войдите или зарегистрируйтесь, чтобы отправлять комментарии
Чертежи бесплатно