Наша группа Вконтакте vk.com/4ertimcom
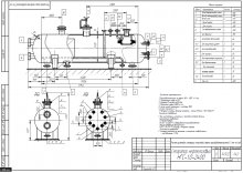
Сепаратор нефтяной НГС-1,0-2400. Объем - 50 м3, внутренний диаметр – 2,4 м, длина – 12,89 м
Описание:
Сепаратор НГС-1,0-2400. Объем - 50 м3, внутренний диаметр – 2,4 м, длина – 12,89 м, производительность по пласт. нефти 160-800 м3/ч, производительность по газу – 82900м3/ч.
Автор: BAV1981
- Разное
- Компас 14
- Войдите или зарегистрируйтесь, чтобы отправлять комментарии
Чертежи бесплатно
Комментарии
Ильсур
сб, 11/08/2025 - 08:44
xtjrhdyt